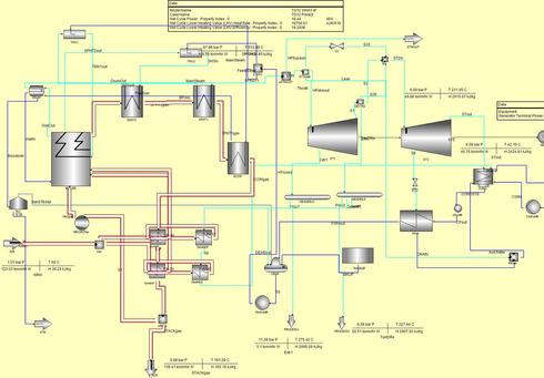
GateCycle model of a boiler + steam cycle, uses many control volumes.

Typical measured data available for boiler heat balance analysis.

Boiler Efficiency

Boiler efficiency is defined as the amount of fuel energy that goes to useful steam production divided by the total fuel energy input.

 

 
Boiler efficiency can be calculated directly from its definition using the outputs of the heat balance analysis:

Credits are included in the calculation because some of the energy that goes to steam production may be from energy sources other than fuel, such as the inlet air energy. This equation is the described in ASME PTC 4-20082 as the input-output method.

The ASME PTC 4-2008 does not recommend the input-output method because it is difficult to accurately measure the fuel energy input. However this limitation does not apply when the heat balance method is used to obtain both the heat transfer to steam and the fuel energy input. The heat balance analysis always conserves mass and energy such that both the heat transfer rate to steam and the fuel energy inputs depend upon the same measured steam or water flow that was input to the heat balance analysis, and this flow rate essentially cancels out of the calculation of boiler efficiency.

Because the data from heat balance analysis is self-consistent in that all the data conserves mass and energy, the input-output or the energy balance method from PTC 4-2008 will yield the same calculated value for boiler efficiency.

If the energy balance (or “Loss”) method from PTC 4-2008 is used the calculation for boiler efficiency using heat balance data becomes:

Where:

Losses = Energy lost from the boiler system per unit fuel flow
HHV = Fuel energy per unit mass on higher heating value basis
Credits = Energy flows into the boiler other than fuel energy

The “Loss” method results often state the energy losses in terms of dry gas, moisture and hydrogen losses. These loss terms arise because the “Loss” calculation as described in PTC 4-2008 does not compute the composition of the stack gas, and instead treats the stack gas as if it consisted of moisture-free (dry) gas, plus moisture from the inlet air, plus moisture from the fuel hydrogen.

The virtue of the PTC 4-2008 method of obtaining the stack loss is that it can be calculated manually or in a spreadsheet without the need to solve the mass and energy balance plus combustion chemical equations. On the other hand, the MapEx heat balance analysis involves solving a set of non-linear algebraic equations, and is difficult or impossible to calculate by hand or to implement using the mathematical functions in a spreadsheet.

The output from ASME PTC 4-2008 is typically stated in terms of “controllable” losses. 
In contrast, the heat balance analysis yields information about the actual flows in the system. The stack gas report in the figure is an example of information as reported by heat balance analysis.

The heat balance analysis yields the actual energy going up the stack (stack flue gas flow multiplied by stack gas enthalpy) as opposed to Dry Gas Loss, Hydrogen in Fuel, Moisture in Air and Fuel. In other words the heat balance yields plant state-point information not available from the PTC 4-2008 recommended calculation.

On the other hand the PTC 4-2008 method yields controllable loss parameters. The sum of Dry Gas loss plus the Moisture in Air and Fuel loss is essentially the same as the stack energy flow calculated by the heat balance analysis. The Hydrogen in Fuel loss is a characteristic of the fuel composition and is essentially the difference between using the fuel higher heating value and the fuel lower heating value to define the boiler efficiency. 


The boiler efficiency from heat balance analysis should equal the boiler efficiency from the PTC 4-2008 energy balance or “Loss” method. The chart below shows boiler efficiency calculated by the two methods using actual plant measured data from an operating boiler. They are equal to each other to within approximately 0.2%. The differences are likely due to the different ways of computing the radiation and ash energy losses.

Control volume for a heat exchanger.

Comparison of boiler efficiency calculated by heat balance analysis and by ASME PTC4-2008 "Loss" method..

Boiler Heat Balance Analysis

 

Typical heat balance report for stack gas properties.

Heat Balance Data

Heat balance data is information that can be calculated directly from the measured data values without assumptions about or knowledge of equipment performance characteristics other than the basic geometry of the power plant. The heat balance data is derived by applying conservation of mass and energy to the power plant system. It is information that must be true if the measured data is true, and if the plant flow streams are correctly represented by the heat balance model. The only circumstance in which the heat balance data may not be correct is if leaks occur or bypass flows are activated, and such flows are not in the heat balance model. 

The figure  shows a typical control volume modeling the heat transfer from gas to steam/water in a heat exchanger. The heat exchanger could be a tube bank in an HRSG or a superheater within a boiler, the same mass and energy balance applies. Conservation of mass and energy are applied to each control volume to determine the temperatures and flow rates of gas and steam into and out of the control volume. There is no prediction in the heat balance analysis, it is simply the application of the laws of conservation of mass and energy. For example, if three of the temperatures in the control volume and the mass flows are measured, the fourth temperature can be calculated from the heat balance analysis. This calculated temperature is as accurate as the measured data used in the heat balance calculation. The heat balance adds information to the measured data, and results in a more complete representation of the current state of the power plant.

The simplicity of the heat balance analysis makes it easy to apply to an overall power plant system.  The model only needs to know how control volumes are connected to each other and the type of fluid (fuel, gas, steam or water) in each flow stream. For control volumes in which combustion occurs (a boiler or a gas turbine combustor), chemical balances are added to the mass and energy balances. The chemical balances determine the products of combustion and the composition of the gas at the exit of the furnace or combustor.

When many control volumes are combined into a heat balance model of an overall power plant, the analysis can yield an impressive amount of information that is not obvious or available in the raw measured data.